Пункты коммерческого учета 6
Общая информация
Пункты учета электроэнергии, рассчитанные на напряжение 6 (10) киловольт и относящиеся к типу ПКУ 6 (10), используются для подсчета активной и реактивной энергии в обоих направлениях. Оборудование предназначено для использования на воздушных линиях с частотой в 50 Герц. ПКУ 6 может использоваться совместно с автоматизированными комплексами, предназначенными для контроля качества и учета электроэнергии.
Снятие показаний счетчиков возможно двумя способами:
- визуальный – непосредственно с табло счетчика, установленного в ПКУ 6;
- удаленный – с помощью контрольного оборудования, связанного с пунктом учета посредством проводной или беспроводной связи.
Оборудования соответствует требованиям ГОСТ 15150 и ГОСТ 15543.1 (У и УХЛ1).
Условия эксплуатации ПКУ
Пункт коммерческого учета рассчитан на использование в следующих условиях:
- высота не больше тысячи метров над уровнем моря;
- отсутствие в окружающем воздухе любых взрывоопасных веществ, токопроводящей пыли, а также агрессивных сред;
- температура в диапазоне от -40 ( -60 в исполнении УХЛ1) до +40C.
Следует учитывать, что пункты коммерческого учета 6 не предназначены для эксплуатации в условиях вибрационных и ударных нагрузок. Оборудование способно работать в гололед при толщине льда, не превышающей 20 миллиметров и скорости ветра до 15 метров в секунду; при отсутствии гололеда – до 36 метров в секунду.
Техническая информация
Подробные характеристики ПКУ 6 приведены в таблице 1.
Таблица 1 — Основные технические данные пунктов коммерческого учета электрической энергии типа ПКУ-6(10)
| Наименование параметра | Значение |
| Номинальное напряжение, кВ | 6; 10 |
| Наибольшее рабочее напряжение, кВ | 7,2; 12 |
| Частота сети, Гц | 50 |
|
Номинальный ток (номинальный первичный ток трансформаторов тока), А |
5; 10; 15; 20; 50; 75; 100; 200; 300; 400; 600 |
|
Односекундный ток термической стойкости, кА, при номинальном первичном токе трансформаторов тока, А: 5; 10; 15; 20;50; 75; 100; 200; 300; 400; 600 |
0,4; 0,78; 1,2; 1,56; 5,0; 5,85; 10,0; 20,0; 40 |
|
Ток электродинамической стойкости, кА, при номинальном первичном токе трансформаторов тока, А: 5; 10; 15; 20;50; 75; 100; 200; 300; 400; 600 |
1,0; 1,97; 3,0; 3,93; 12,8; 14,7; 25,5; 51,0; 102 |
| Номинальный ток вторичных цепей трансформаторов тока, А | 1; 5 |
| Уровень изоляции по ГОСТ 1516.1 | нормальная |
| Степень защиты по ГОСТ 14254: | |
|
модуля высоковольтного шкафа учета |
IP54 IP54 |
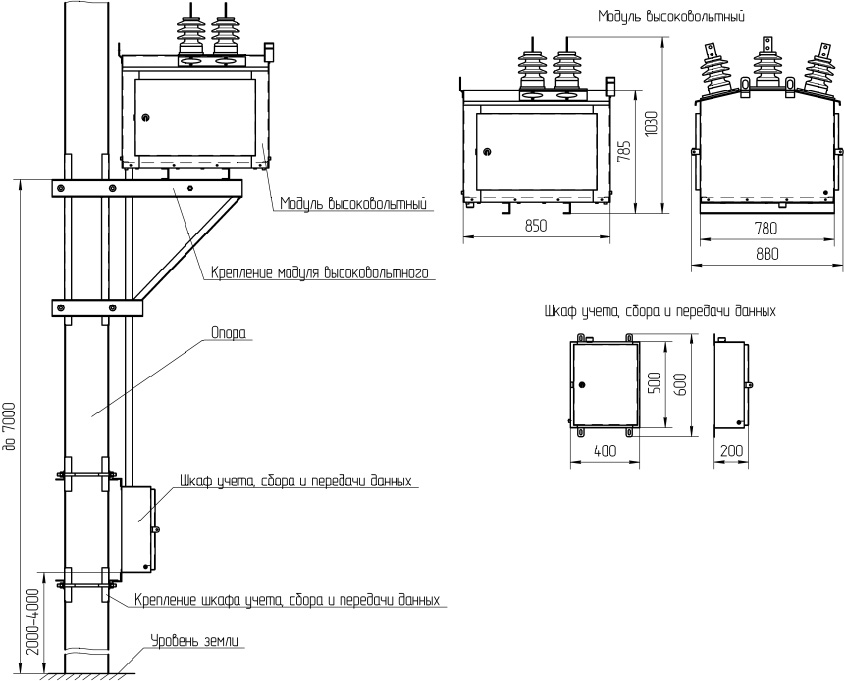
| Габаритные размеры модуля высоковольтного, мм | |
|
ширина глубина высота |
850 880 1030 |
| Габаритные размеры шкафа учета, мм | |
|
ширина глубина высота |
400 200 500 |
| Масса ПКУЭ, кг | |
|
масса модуля высоковольтного не более, кг масса шкафа учета не более, кг |
360 40 |
Структура условного обозначения
ПКУ — Х — Х Х 1 2 3 4
1 — пункт коммерческого учета электроэнергии.
2 — номинальное напряжение сети: 6; 10 кВ.
3 — номинальный первичный ток трансформатора тока (таблица 1).
4 — климатическое исполнение и категория размещения: У1, УХЛ1.
Конструкция
Пункт коммерческого учета 6 состоит из следующих компонентов:
- высоковольтный измерительный модуль (МВ);
- шкаф учета и распределения электроэнергии (ШУ);
- система защиты от перенапряжения;
- кабель;
- комплект для монтажа.
Высоковольтный модуль служит для замера величины напряжения и тока. Конструктивно он представляет собой трансформаторный блок, заключенный в прочный металлический корпус. Количество трансформаторов тока (ТТ) и напряжения (ТН) зависит от способа измерения. Возможно три различных варианта сочетаний трансформаторов: 2ТТ + 2ТН, 2ТТ + 3ТН, 3ТТ + 3ТН.
Доступ к измерительному модулю, установленному в ПКУ 6, возможен через две двери. Главные цепи подключаются через изоляторы. Возможно закрепление стропами с помощью рымов.
Специальные разрядники позволяют защитить модули от резких скачков напряжения и тока, а также обеспечивают эффективную грозозащиту. Ограничители-разрядники смонтированы на кронштейнах.
Трансформаторы имеют дополнительные обмотки, используемые для запитки системы обогрева, а также устройства сбора и передачи информации.
Для подключения кабеля высоковольтного измерительного модуля используется блок клемм. Внизу корпуса модуля имеется влагозащищенный вход, предназначенный для кабеля, соединяющего вторичные цепи трансформаторов.
МВ монтируется на опоре воздушной линии. Высота не должна превышать семи метров.
С помощью шкафа учета, установленного в ПКУ 6, можно осуществлять сбор и передачу данных о работе оборудования непосредственно на диспетчерские пункты. Шкаф учета имеет открывающуюся дверцу, облегчающую доступ к аппаратуре. Для подключения цепей напряжения и тока используется испытательная колодка, на которую возможна установка пломбы.
Встроенная система обогрева срабатывает автоматически при падении температуры в ШУ ниже +5 градусов, что позволяет успешно бороться с конденсатом и другими нежелательными последствиями переохлаждения.
Главное оборудование – в число которого входят счетчик, антиобледенительная система, а также оборудование для фиксирования и передачи параметров работы ПКУ 6, – устанавливается на монтажной панели, которая может быть легко снята для обслуживания и установки дополнительной аппаратуры.
Устройства сбора информации о работе системы монтируется по желанию заказчика. Среди доступных способов передачи данных – GSM-сеть и оптоволокно.
Шкаф учета монтируется на общей опоре с измерительным модулем. Для установки используется индивидуальный монтажный комплект. Соединительный кабель, соединяющий модули, прокладывается внутри трубы, собранной из отдельных секций.
Конструкция ПКУ приведена на рисунке 1.


140104, Московская обл, г. Раменское, ул. Десантная, д. 10
с 9.00 до 18.00
603822662


